24 Best Water Jacket Heater For Generator


Water jacket heater for generator. In this application the hot water jacket is the chamber that fills with water in a water heater design that is equipped with heating coils. An engine block heater can be a vital part to a generator. As the coils heat the temperature of the water inside the jacket also warms.

The generator rotating members must not exceed the rotating mass of the standard caterpillar generator. A water jacket heater will ensure that a liquid cooled generator runs effectively when the need arises. Block heaters are typically used in environments where the generator is subject to ambient temperatures below 60 degrees fahrenheit 16 degrees celsius.

water jacket heater for generator

Best Water Jacket Heater For Generator

See in our video above why its important. Nfpa regulation 110 calls for all critical mission standby generators be able to start and reach operating conditions within 10 seconds of power loss. Usually around 100 degrees.

This is true with some designs of the water heater. Why you should check the generator engine block heater. Also known as water jacket heaters and engine pre heaters engine block heaters are essential for maintaining ideal starting temperatures for your diesel and natural gas generators.

A readily available supply of clean fuel. A jacket water heater to maintain a minimum of 90 degrees f 32 degrees c jacket water temperature. The top countries of suppliers are china hong kong sar from which the percentage of water jacket heater for generator supply is 69 30 respectively.

Auto Parts Engine Parts Diesel Generator Set Thermostat Water
View Full Image

Auto Parts Engine Parts Diesel Generator Set Thermostat Water

Generator Maintenance Service Repair Packages Megawattage
View Full Image

Generator Maintenance Service Repair Packages Megawattage

Holdwell 1000w 120v 590 835 Diesel Engine Water Jacket Heater Of
View Full Image

Holdwell 1000w 120v 590 835 Diesel Engine Water Jacket Heater Of

Electrical
View Full Image

Electrical

Mega Deals 945cp Diesel Engine Generator Sets Water Jacket
View Full Image

Mega Deals 945cp Diesel Engine Generator Sets Water Jacket

Hotstart Engine Heater Installation Youtube
View Full Image

Hotstart Engine Heater Installation Youtube

7fqx2 Best Value Generator Weichai Great Deals On Generator
View Full Image

7fqx2 Best Value Generator Weichai Great Deals On Generator

Engine Water Jacket Heater Diesel Generator Heater Thermostat
View Full Image

Engine Water Jacket Heater Diesel Generator Heater Thermostat

Oilfield Oil Gas Indirect Heating Boiler Water Jacket Heater For
View Full Image

Oilfield Oil Gas Indirect Heating Boiler Water Jacket Heater For

Cummins Weichai Diesel Generator Set Automatic Thermostat Heater
View Full Image

Cummins Weichai Diesel Generator Set Automatic Thermostat Heater

Silent Soundproof Power Diesel Engine Generator With Aisikai Ats
View Full Image

Silent Soundproof Power Diesel Engine Generator With Aisikai Ats

Ls500r 220v Generator Water Jacket Heater Waterproof Aluminium
View Full Image

Ls500r 220v Generator Water Jacket Heater Waterproof Aluminium

Generator Diesel Engine Set Water Jacket Heater 1kw 2 Kw
View Full Image

Generator Diesel Engine Set Water Jacket Heater 1kw 2 Kw

Generator Block Heater Replacement Youtube
View Full Image

Generator Block Heater Replacement Youtube

Usd 120 45 Weichai Perkins Diesel Generator Set Water Jacket
View Full Image

Usd 120 45 Weichai Perkins Diesel Generator Set Water Jacket

China Cummins 4000w Water Jacket Heater Engine Heater Pre Heater
View Full Image

China Cummins 4000w Water Jacket Heater Engine Heater Pre Heater

Jacket Cooling Water System Youtube
View Full Image

Jacket Cooling Water System Youtube

China Water Jacket Heater For Generator Set With Alternator
View Full Image

China Water Jacket Heater For Generator Set With Alternator

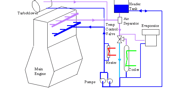
Cooling Of Marine Diesel Engine How It Works Requirement Of
View Full Image

Cooling Of Marine Diesel Engine How It Works Requirement Of

Heater Powered By Mdgloble
View Full Image

Heater Powered By Mdgloble

China Cummins 4000w Water Jacket Heater Engine Heater Pre Heater
View Full Image

China Cummins 4000w Water Jacket Heater Engine Heater Pre Heater

Usd 112 68 Cummins Weichai Diesel Generator Set Thermostat Water
View Full Image

Usd 112 68 Cummins Weichai Diesel Generator Set Thermostat Water

Marine Engineering 360 Jacket Water System For A Large 2 Stroke
View Full Image

Marine Engineering 360 Jacket Water System For A Large 2 Stroke

7c1704 Heater Group Jacket Water Engine Generator Set
View Full Image

7c1704 Heater Group Jacket Water Engine Generator Set

Water jacket heater for generator. Engine block heaters also known as a water jacket heaters are critical to diesel generators operating effectively in all standby power applications. Water heater heater jacket heater manufacturer supplier in china offering cummins 4000w water jacket heater engine heater pre heater system generator engine block heater calentador del bloque del motor 4061041 3056182 4kw 4000w jacket water heater csm30603 csm30903 ow212206 ow415206 ow630260 ow650206 kbw10015t kbw10024t csm1060j engine block heater battery lube oil heater engine pre. The heaters ensure the coolant is maintained to an optimum start temperature..

Coolant heaters control thermostat range control thermostat tolerance approvals on at 80º f 27º c off at 100º f 38º c 70º f 4º c on close on 50º f 3º c on open off ul listed csa compliant ce compliant coolant heater kit critical component voltage wattage heater amps instruction sheet 0333 0632 01 0333 0588 01 120 1000 8. If the water jacket heater is not in place then its possible that the engine goes cold and this means that the standby system will not perform. Its not so much that it stops the jacket from freezing but its a great starting point. Water jacket heater for generator.

Image Source: Google Images

Popular Posts